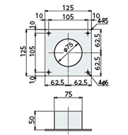
内部循環フランジ
内部循環フランジ

内部循環方式に対応
外形図
| 機種 | 外形図 |
|---|---|
| PAU-GR300SE (左側取付) |
![]() |
| PAU-GR800SE PAU-GR800SE-HC (背面取付) |
![]() |
| PAU-GR1800SE PAU-GR1800SE-HC (背面取付) |
![]() |
| PAU-GR3000SE PAU-GR3000SE-HC (背面取付) |
![]() |
| PAU-GR8000SE PAU-GR8000SE-HC PAU-GRW9000SE-HC (背面取付) |
![]() |
| PAU-300S (左側取付) |
![]() |
| PAU-AR800S (右側取付) |
![]() |
| PAU-A920S-HC (右側取付) |
![]() |
| PAU-A1400S-HC (右側取付) |
![]() |
| PAU-AZ1800SE (背面取付) |
![]() |
| PAU-AZ3000SE (背面取付) |
![]() |
| PAU-AZ7000SE PAU-AZ2000SE-DR PAU-AZW8000SE PAU-AZW8000SE-HC (背面取付) |
![]() |
お問い合わせ
商品に関するご質問や、お見積のご依頼など
お気軽にお問い合わせください。













