ENC-GR500L-Pro 商品詳細
index
仕様
仕様をカタログで見る(50/60Hz)
| 取付タイプ | 側面取付 |
|---|---|
| 冷却能力(W) | 530 |
| 設定温度範囲(℃) | 25~45 |
| 使用周囲温度(℃) | 20~55 |
| 使用周囲湿度(%RH) | 10~85(但し結露なきこと) |
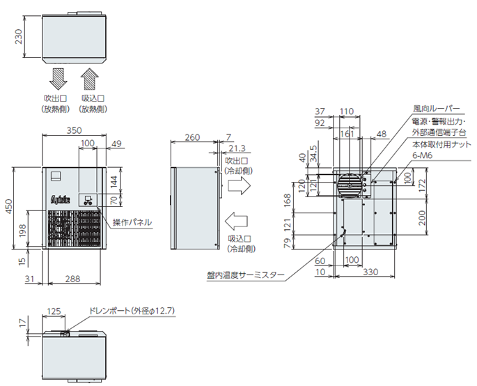
| 外形寸法(mm) | H450×W350×D260 |
| 質量(kg) | 約19 |
| 塗装色 | ライトベージュ相当色 5Y7/1近似 |
| 電源電圧(V) | 単相AC200~240 |
| 消費電流:定格(A) ※ | 2.3 |
| 消費電力:定格(W) ※ | 360 |
| 推奨ブレーカー容量(A) | 5 |
| 耐振動性 | JIS Z0200 Level1 |
| 防塵防滴保護等級 | IP54相当(内部循環経路) |
| 認証 | CE / ETL / CCC |
| 冷媒/充填量(g) | R1234yf 210g |
| 騒音(dB(A)) | 約69 |
| 警報出力 | 無電圧a接点:AC250V 2A/DC30V 2A 抵抗負荷 |
| 表示 | 盤内温度/エラー/RUN |
※冷却能力:周囲/盤内温湿度35℃/40%RH、電源電圧200V時の定格能力値。
(試験方法:JIS B 8615-1に基づく室内側空気エンタルピー試験法)
※使用周囲温湿度範囲は動作範囲を規定するもので定格性能を保証するものではありません。
※防塵防滴保護等級:ドレンポート部を除く
※使用前に必ず取扱説明書をよくお読みのうえ、正しくお使いください。
※周囲温度35℃、盤内設定温度35℃、電源周波数60Hz、盤内負荷300Wの条件下で比較した場合、
旧機種 ENC-GR500L の消費電力は 227W、ENC-GR500L-Pro は 199W となり、生産性に優れています。
外形寸法図

取付加工図

冷却能力特性図

※制御盤用クーラーを許容周囲温度上限に近い環境で使用される場合は、弊社営業担当までご相談ください。
【注意】
◯ご使用になる前に取扱説明書をお読みのうえ正しくお使いください。
◯商品の納入は、車上渡しとなります。(国内指定場所、※離島除く)
◯型式・台数によって別途チャーター便扱い(別途費用)となります。
◯海外納入時には、別途海外向け梱包をお奨めします。
◯FAクーラーの仕様をご確認のうえ、適切なブレーカー(漏電遮断器)をFAクーラーと電源間に介してください。
◯定格電源範囲外でご使用されると故障の原因となります。
◯定期的に保守メンテナンスをしてください。
◯定期的な保守メンテナンスを怠ると、商品の性能劣化・トラブルの要因になることがあります。
◯冬期の低外気温時には、FAクーラーを連続運転させないでください。
◯本商品の廃棄の際は、各種法令を遵守し、適切に行ってください。
商品の選定でお悩みの方や、導入についてのご相談など、
お気軽にお問い合わせください。
このページをご覧になった方は、こちらの資料もチェックしています
お問い合わせ
商品に関するご質問や、お見積のご依頼など
お気軽にお問い合わせください。





