GME-S1500-eco 商品詳細
index
仕様
| 最大風量(m3/min) | 23 |
|---|---|
| 最大機外静圧(kPa) | 2.1 |
| 捕集効率(%) ※ | 99 |
| 使用環境温湿度 | 0~50℃、90%RH以下(屋内仕様、結露なきこと) |
| 吸引ガス温度(℃) | 0~50 |
| 捕集対象 ※ | 不水溶性オイルミスト(引火点150℃以上) 水溶性オイルミスト |
| 最大入口濃度(mg/m3) | 50 |
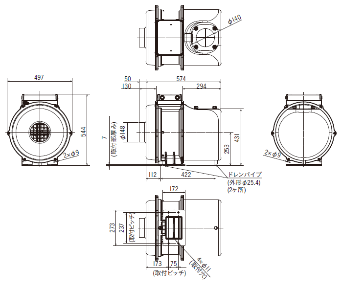
| 外形寸法(mm) ※ | H544×W468×D574 |
| 吸引口(mm) | 横吸込Φ148 |
| 質量(kg) | 約31 |
| 塗装色 | マンセル N7、マンセル 5PB2/2 |
| 定格電圧(V) ※4 | 三相 AC200~230(50/60Hz) |
| 消費電流(A) ※ | 7.6 |
| 消費電力(W) ※ | 1730 |
| 推奨ブレーカー容量(A) | 15 |
| 搭載モーター | 永久磁石型同期モーター(インバーター駆動専用) |
| 搭載モーター出力 | 1.5kW 4P(全閉他扇型) |
| ファン材質 | A5052(アルミニウム)、SPCC(鉄) |
| ドレンパイプ(mm) | 外径φ25.4(2か所) |
| 騒音(dB(A)) | 79 |
| 認証 | CE / ETL |
※1 重量法。
※2 固まりやすい(ゲル化)オイルミストおよび切削粉(鋳物などの切削、研削により発生する)が多く含まれるオイルミストを捕集するとメンテナンス周期が短くなる場合があります。
※3 突起部は除きます。
※4 電源は工作機械や電源設備の保護装置付き回路から供給してください。
※5 200V時の代表値です。
外形図

能力特性グラフ

商品の選定でお悩みの方や、導入についてのご相談など、
お気軽にお問い合わせください。
このページをご覧になった方は、こちらの資料もチェックしています
お問い合わせ
商品に関するご質問や、お見積のご依頼など
お気軽にお問い合わせください。





