GDE-A2200 商品詳細
index
仕様
| 仕様 | ヒュームボックス取付仕様 |
|---|---|
| 送風機用モーター(kW) | 2.2 |
| 風量(m3/min) | 10/20/30 |
| ファン静圧(kPa) | 3.11/3.06/2.86 |
| 機外静圧(kPa) | 2.92/2.50/1.82 |
| 周波数調整範囲(Hz) | 20~60 |
| 使用環境温度(℃) | 40以下(但し、結露なきこと) |
| 吸引ガス温度(℃) | 40以下(但し、結露なきこと) |
| 払い落とし方式 | グリーンパルス方式 |
| エアー使用圧(MPa) | 0.5 |
| 標準エアー消費量(L/min [N.T.P]) | 25 |
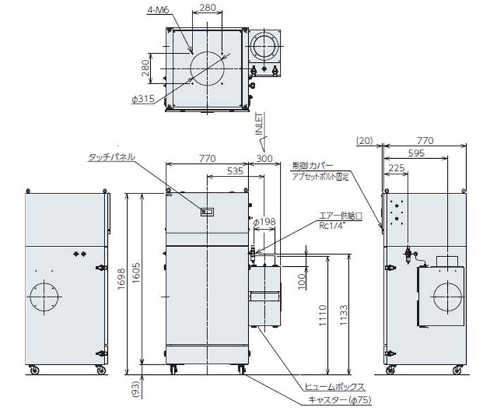
| 外形寸法(mm) | H1698×W1070×D770 |
| 質量(kg) | 294 |
| 吸引口寸法(φmm) | 198 |
| 塗装色 | 本体部:日塗工N-75 扉部:日塗工N-35 |
| 定格電圧(V) | 三相AC200V(50Hz/60Hz)又は220V(60Hz) |
| 推奨ブレーカー(A) | 30 |
| 構成装置/ファン | ターボファン |
| 構成装置/モーター | IE3 縦型フランジモーター |
| 構成装置/ウルトラファインフィルター面積(m2) | 36 |
| 構成装置/ウルトラファインフィルター本数(本) | 6 |
| 構成装置/一体型パイロットバルブ(個) | 2 |
| 構成装置/ダストボックス容量(L×個) | 17×2(金属製) |
| 構成装置/キャスター(φmm×個) | 75×4 |
| 表示形式 | タッチパネル |
| 制御出力/警報出力 | a接点 無電圧 (電圧:DC30V/AC220V以下 最大負荷:2A以下(抵抗負荷)/80VA(誘導負荷)) |
| 制御出力/注意出力 | a接点 無電圧 (電圧:DC30V/AC220V以下 最大負荷:2A以下(抵抗負荷)/80VA(誘導負荷)) |
| 制御出力/運転出力 | a接点 無電圧 (電圧:DC30V/AC220V以下 最大負荷:2A以下(抵抗負荷)/80VA(誘導負荷)) |
| 制御入力/運転・停止 | 無電圧入力 |
| 制御入力/パルス禁止 | 無電圧入力 |
| 制御入力/パルス運転 | 無電圧入力 |
| 騒音(dB(A)) | 67±2 |
※風量・静圧:各圧力は60Hz運転時を示しています。
外形寸法図

ヒュームボックス

送風機性能特性曲線

商品の選定でお悩みの方や、導入についてのご相談など、
お気軽にお問い合わせください。
このページをご覧になった方は、こちらの資料もチェックしています
お問い合わせ
商品に関するご質問や、お見積のご依頼など
お気軽にお問い合わせください。




