1. HOME
  2. 商品情報
  3. 環境改善機器 ミストコレクター GME series
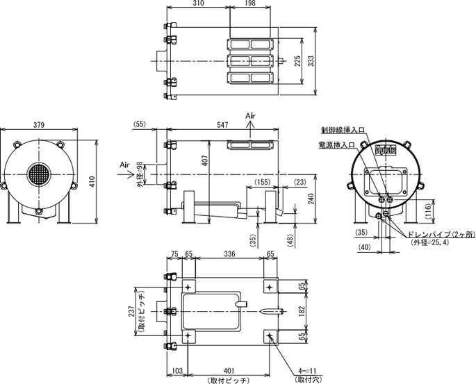
  4. GME-S400
ミストコレクター 販売終了商品 GME-S400
販売終了商品

ミストコレクター
GME-S400

販売終了日
2024/12/20

詳細についてはお電話またはフォームよりお問い合わせください。
0120-945-354(フリーダイヤル)
※電話受付:9:00~17:30(土日祝日除く)